lithium ion batteries

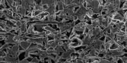
Scientists have produced a new design for a beyond-lithium-ion battery cell that operates by running on air (hence, referred to as “lithium-air”) over many charge and discharge cycles
| 3 min read

Scientists have produced a new design for a beyond-lithium-ion battery cell that operates by running on air (hence, referred to as “lithium-air”) over many charge and discharge cycles